
4DY型标准电动试压泵(以下简称为泵)是专供各类压力容器、管道、阀门、蒸气锅炉等作水压试验和试验室中获得高压液体的设备。试压用介质为水或粘度与水相近的中性油品,其温度为5-60℃。

试压泵型号 | 额定排出压力 MPa | 流量 l/h | 高压柱塞直径mm | 配 套 电 机 | 外形尺寸 长×宽×高 mm | 重量 Kg | ||
高压时 | 低压时 | 型 号 | 功率 KW | |||||
4DSY-165/6.3 | 6.3 | 165 | 500 | 32 | Y90S-4 | 1.1 | 815X480X1109 | 190 |
4DSY-100/10 | 10 | 100 | 450 | 25 | ||||
4DSY-63/16 | 16 | 63 | 400 | 20 | ||||
4DSY-40/25 | 25 | 40 | 380 | 16 | ||||
4DSY-30/40 | 40 | 30 | 360 | 14 | Y90L-4 | 1.5 | 840X480X1109 | |
4DSY-22/63 | 63 | 22 | 350 | 12 | ||||
4DSY-15/80 | 80 | 15 | 340 | 10 | ||||
低压缸柱塞直径:45mm 低压缸工作压力: ≤1.6MPa
缸 数: 4 柱塞行程:40mm
每分钟往复次数:51
三、主要结构和工作原理
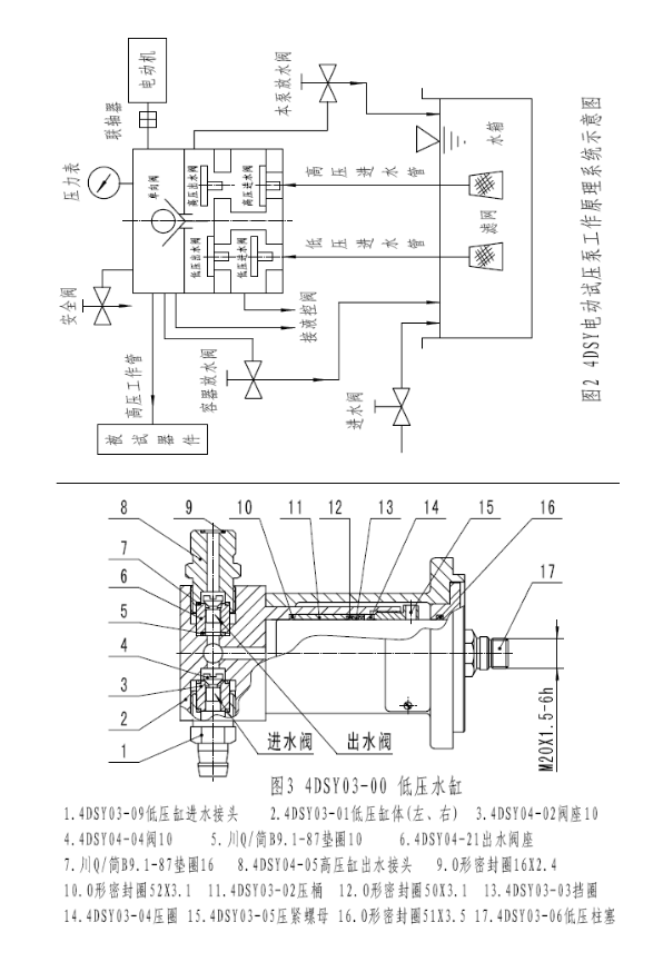
本电动试压泵为卧式四柱塞往复泵(见图1),由电动机、减速箱、传动箱、高低压水缸、集水器、液控阀、安全阀、电磁启动器及水箱等主要部件组成。泵的工作原理及系统示意如图2所示。
整台试压泵装在水箱上,底座兼作水箱盖。水箱下有滚轮,使泵能灵活移动。电动机与减速箱一起装在底座上,籍挠性爪型联轴器相连接。减速箱系蜗杆蜗轮传动,速比为2:55。蜗轮轴两端有互成180°的偏心轴,通过两侧盖外传动箱内的滑块与十字头机构,将旋转运动变为往复直线运动。传动箱两端各装有高、低压水缸,十字头上所装的柱塞在水缸内往复运动,使各水缸内的工作容积不断发生变化,进而实现泵的交替吸入和吐出过程。
当柱塞为吸入行程时,水缸内工作容积增大,造成部份真空,水箱内的工作介质在大气压力的作用下,通过滤网,进水管及进水阀而进入水缸内。当柱塞为吐出行程时,进水阀自动关闭,出水阀被顶开,工作介质经过出水管汇集于集水器,然后输送到被试器件内,直至达到某一预定的试验压力,实现试压的目的。(参见图3、图4)
集水器内设有止回阀、容器放水阀和本泵放水阀及连接输出接管的工作接头(见图5),止回阀可以避免高、低压水缸承受高压,并具保压功能。当被试器件内的压力升到试验压力时停机,并打开本泵放水阀,此时4水缸阀组不再承受高压,止回阀起保压作用。当试压完毕后,开启容器放水阀,可卸除试压系统压力,将工作介质放回水箱内。
集水器上部装有安全阀和压力表。安全阀是本泵液压端的过载保护装置,当泵的排出压力达到安全阀的开启压力时,即能排放工作介质,使泵不至过载。用户不得随意乱动安全阀,不得将安全阀当溢流阀使用。当被试器件达到试验压力,停机后,压力表仍指示试验压力。
液控阀的两端与两只低压水缸相连,液控管与集水器的高压腔相通。液控阀关闭时,四只高、低压水缸同时工作,而当排出压力>1.6MPa后,排出介质通过液控管使该阀开启,则两只低压水缸互相连通,低压水缸出水阀和液控阀的高压阀头将它们与高压腔隔断,这时,左右低压水缸不再输出介质,仅由高压水缸工作,实现流量由大到小的自动切换。
QC36-4TA电磁启动器安装在底座上电动机后侧方。出厂时已经将电磁启动器与电动机进行电气联接,用户只需要将380V、50Hz三相交流电源A、B、C分别引入启动器内交流接触器上1L1、3L2、5L3接点并连接好即可。电源线请采用≥1.5平方毫米的三相四线铜芯电缆线接入。出厂时启动器内部热保护继电器整定电流统一整定在6.8A,因用户选型不同,请电动机功率在1.1KW的用户将启动器内热继电器电流整定值调整为3A,请电动机功率在1.5KW的用户将启动器内热继电器电流整定值调整为4A。本泵电路图见图6。
电动试压泵与工作接管连接的工作管接头位于泵的集水器中心线上,离地高度835毫米,请用户按此尺寸安排连接管路。
本电动试压泵配有工作接管,是连接被试容器的通口,其端部螺母螺纹为M24X1.5-6H,工作接管与被试容器连接时之间应装上¢21X¢8X2的铜垫圈,用户自备与之连接的接头尺寸可参见图1
1、开箱后的安装
本试压泵在开箱后,应装上滚轮、压力表和安全阀。将四只滚轮套装在轮轴上,外侧套上垫圈20后,穿好开口销。将安全阀装在集水器上的安全阀接头M14X1.5-6H孔内(注意加铜垫圈6),压力表拧入集水器上面的压力表接头螺母,(注意加10X1.9的O形密封圈,)使表面朝向便于观察的方向,才是一台完整的泵。
自集水器的工作接头至被试器件接好管路和电源线后,即可投入运行。
⑴ 使用前的准备工作
①、减速箱内加足润滑油,使油面保持在油标中心高度,润滑油为双曲线18号齿轮油(B/W1915-86) 。
②、两侧传动箱内加30号机械油(GB443-89),油面勿高于视镜油位红线,使用中还需移开传动箱上的加油标牌,定期向油池中加注润滑油,并保持每次运转时有油往传动箱内滴注。
③、水箱内加满洁净的试压用介质,并注意随时补充。
④、安装好压力表(表面应指向便于观察示值方向)。可根据实际工作压力另外选择适宜的压力表,以实际工作压力在压力表全量程压力的三分之一到三分之二为宜。按国家有关法规要求,敬请用户在使用前校验所配压力表。
⑤、被试器件中应预先放尽空气,充满工作介质,以缩短试压时间。
⑥、调整启动器内热继电器电流整定值(见前电磁启动器介绍),接好电源线,接至泵的电源应装有熔断器,电动机一定要良好接地,以策安全。
⑵ 电动试压泵操作步骤
①、打开容器放水阀和本泵放水阀。
②、启动泵在常压下试运转。(应无异常响声及阻滞现象,回水管排出介质,四进水管正常充液)
③、缓慢关闭容器放水阀和本泵放水阀,逐步升压至试验压力后停机。
④、打开本泵放水阀,进行保压。
⑤、保压结束,打开容器放水阀卸去系统压力。
⑶ 使用中注意事项
①、引入电源线或检修时请断电工作。
②、减速箱中的润滑油温度应保持在75℃以下。
③、在工作中如发现泵或其它部分有明显渗漏现象时,应停机卸压进行检修。
④、当泵的排出压力达到或接近试验压力时,应先停机,再点动加压。
⑤、最好在泵以外的管路系统中另装截止阀和放水阀,以便隔开泵和被试器件。
⑥、安全阀不能当溢流阀使用,用户不得随意乱动安全阀,试压时如欲保持固定的某一试验压力时,建议在管路中另装溢流阀。
⑦、在对低压器件(试验压力≤1.6MPa)进行试压时,可将液控阀的动作压力适当降低,即拧松锁紧螺母,再适当拧松调压螺塞以放松弹簧,即可使其动作压力降低。(参见图7。)
调整液控阀时,宜取下高压缸进水管,堵住泵出口或接上容器,反复开启放水阀,将主机调整到由常压升压到1.6MPa以下的所需压力后不再继续升高为准。注意:连通
阀的动作压力不能高于1.6 MPa。
⑧、如被试器件的容积很小、升压太快时,应将多个被试器件联结在一起试压,或微启本泵放水阀,降低升压速度,对短时间工作,允许取掉一根高压缸进水管。
⑨、试压泵工作时,液控阀回水管在1.6MPa以下时,随压力升高回水量增大,超过1.6MPa时回水量应减小。若压力超过1.6MPa,且压力继续升高后,回水量继续增大,应停机调整检修液控阀,使其工作正常。(也可能是低压水缸的出水阀和液控阀的高压阀头同时泄漏引起。)
⑩、试验压力不允许超过本泵额定排出压力。
注:当高压水缸(对压力为1.6MPa以上的泵)偶尔不进液时,可取掉低压水缸进水管,打开本泵放水阀,待高压水缸正常工作后,再接上低压进水管。
故障现象 | 原 因 | 排 出 方 法 |
泵的压力上升太慢或不上升 | 1.放水阀未关严 2.滤网堵塞或接头渗漏 3.柱塞密封圈松动或损坏 4.进、出水阀搁死 5.进、出水阀不密封 | 1.关紧或更换放水阀座 2.清洗或去除污物,拧紧接头 3.调整压紧螺套或更换密封圈 4.拆下检查清洗或重新研磨 5.重新研磨或更换 |
试压泵的压力上升不均匀 | 1.有一缸进、出水阀搁死 2.有一缸进、出水阀密封不良 3.有一缸密封圈松动或损坏 | 1.观察及手触透明吸水管 2.同上法判定故障缸,将阀拆下重新研磨或更换 3.同上法及观察缸座泄水孔漏水情况判定故障缸,调整压紧螺套或更换密封圈 |
泵的保压时间太短或达不到额定排出压力 | 1.集水器上的放水阀渗漏 2.安全阀渗漏 3.集水器内止回阀或各水缸的出水阀渗漏 4.接头处渗漏 | 1.关紧放水阀或更换放水阀座 2.调整弹簧松紧或清洗密封面或重新研磨阀线 3.重新研磨或更换阀与阀座 4.拧紧接头或更换密封垫圈 |
试压中如发生故障,应首先排除泵以外(被试器件、管路系统等泄漏)故障原因,再检查泵的故障而排除之。
减速箱 温升太高 | 1.润滑油不合适或太多、太脏 2.轴承装配太紧 3.蜗轮副啮合状况不良 4.安全阀动作不灵或泵负荷重; 5.电动机同轴度不好 | 1.调整润滑油数量,或更换润滑油 2.调整轴向游隙 3.检查接触面斑痕,重新装配和调整蜗轮位置 4.防止超载运行或检修安全阀 5.重新安装,调整电机轴线位置 |
电动机 负荷超载 | 1.液控阀动作压力太高 2.泵超负荷运行 3.各处润滑不良 4.电源电压太低 5.柱塞密封圈太紧 | 1.调低液控阀动作压力 2.避免超负荷运行 3.补充或更换润滑油 4.提高电源电压 5.适当放松压紧螺套 |
六、电动试压泵维护和保养
1、试压泵外表、减速箱和传动箱内的润滑油及水箱中的试压介质必须保持清洁,不允许有污物和其它杂物。
2、新试压泵第一次用的润滑油工作56小时后应当更换,以后每工作500小时左右更换一次。
3、长期停用的泵,应经防腐处理,先把试压介质排净,并抽灌一次防锈油或防锈水,未涂漆的零件外表应涂机油防锈。
4、经常注意泵的蜗杆蜗轮副的轴向间隙:蜗杆为0.04~0.07,蜗轮为0.05~0.10,如不符合此值,需调整通闷盖纸垫或侧盖纸垫。

七、试压泵的主要易损件一览表
序 号 | 代 号 | 名 称 | 数 量 | 所 属 部 件 |
1 | 4DSY02-07 | 轴套 | 2 | 传动箱 |
2 | 4DSY02-08 | 滑块 | 2 | 传动箱 |
3 | 4DSY03-02 | 压桶 | 2 | 低压水缸 |
4 | 4DSY03-03 | 挡圈 | 2 | 低压水缸 |
5 | 4DSY03-04 | 压圈 | 2 | 低压水缸 |
6 | 4DSY03-06 | 低压柱塞 | 2 | 低压水缸 |
7 | 4DSY04-02 | 阀座 10 | 4 | 高、低压水缸 |
8 | 4DSY04-04 | 阀 10 | 9 | 高、低压水缸、集水器 |
9 | 4DSY04-21 | 出水阀座 | 4 | 高、低压水缸 |
10 | 4DSY04-06 | 密封套 | 2 | 高压水缸 专 |
11 | 4DSY04-08 | 高压缸套 | 2 | 高压水缸 专 |
12 | 4DSY04-09 | 挡圈垫 | 4 | 高压水缸 专 |
13 | 4DSY04-12 | 压圈 | 2 | 高压水缸 专 |
14 | 4DSY04-14 | 高压柱塞 | 2 | 高压水缸 专 |
15 | 4DSY05-03 | 止回阀座 | 1 | 集水器 |
16 | 4DSY05-09 | 放水阀座 | 2 | 集水器 |
17 | SYL.5.1-9 | 阀瓣6 | 2 | 集水器中放水阀杆 |
18 | 4DSY07-02 | 液控阀座 | 1 | 液控阀 |
19 | DSY.2-7 | 高压阀头 | 1 | 液控阀 |
20 |
其它如O形密封圈、紫铜垫圈、密封件等,均属易损件。
八、试压泵随机供应资料与备件
1、资料
(1)使用说明书 1份
(2)合格证明书 1份
(3)装箱清单 1份
2、备件(规格、数量见装箱清单)



标签: 4DY型标准电动试压泵、