一、CB系列超高压电动试压泵用途
CB系列超高压泵,可满足各种容器、管道、阀门等作水压试验及爆破试验,试验压力均可在常压升到额定排出压力。泵的输送介质一般为乳化液,也可用防锈水及粘度与乳化液相近的中性油品,其温度为5~60℃。

二、CB系列超高压电动试压泵技术参数
型 号 | 额定工 作压力 MPa | 流量 L/h | 柱塞直径 mm | 行程 mm | 配套电机 型号、功率 | 外 形 尺 寸 (长X宽X高) mm | 重量 Kg |
CB100-5.5 | 100 | 122 | 12 | 40 | Y132 M2-6 5.5KW | 1700X800X1000 | 670 |
CB125-5.5 | 125 | 84.7 | 10 | ||||
CB160-5.5 | 160 | 68.7 | 9 | ||||
CB200-5.5 | 200 | 54 | 8 |
三、CB系列超高压电动试压泵主要结构和工作原理
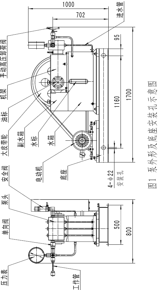
本泵为卧式三柱塞泵,由电动机、皮带轮、动力端、泵头和底座等组成。(图1)
1、动力端(图2)
动力端由机架、曲轴、连杆、十字头等组成 。电动机通过三角皮带轮进行减速,并通过曲柄连杆机构将旋转运动转变为十字头的往复直线运动。
机架的机身是一箱形结构的铸铁件,前端镗有三个安装孔,以保证柱塞与十字头的同轴度,机身后端开有一个长方形孔,便于十字头、连杆等零件的装拆。
曲轴为整体式三曲拐。连杆大头处为剖分式结构,配有标准的175柴油机连杆轴瓦,连杆小头配有铜轴瓦与十字头销连接。
十字头为圆筒形结构,与十字头销配合孔两端面装有弹性挡圈,防止十字头销轴向移动,十字头与柱塞联接采用中间球面结构,能保证柱塞自动定位。
2、泵头(图4)
泵头由泵体、吸入阀、排出阀、柱塞副等零件组成。泵体固定在机身上,由十字头带动柱塞在泵体内往复运动,使泵体内的工作容积产生周期性变化。当柱塞为吸入行程时,泵体内容积增大,排出阀关闭,形成局部真空,工作介质在大气压下,由吸入阀进入泵体;反之,吸入阀关闭,工作介质由排出阀输出,经过单向阀,由外接管路输送到被试器件内,直至达到所需压力。
另外,在泵头左端的四通上装有目测压力表,以监视泵的排出压力。
在泵头的右端装有安全阀,在系统超载时起保护作用。安全阀的起跳压力在出厂时已调校好,用户不得任意调动,也不能当溢流阀使用。(图6)
3、SGXF手动高压卸荷阀(图5)
手动高压卸荷阀用在人工方式试压结束后,手动卸除被试产品压力。
4、DXF200单向阀(图7)
用于自动截断管路中介质流动方向,防止介质回流,并起保压作用。
四、使用方法及注意事项
1、使用方法
a、减速箱内加足润滑油,使油面达到油标上刻线高度。
润滑油为: 柴油机油 15W-40或20W-50(推荐品牌:长城、美孚、嘉实多、壳牌、昆仑等) 或N68号机械油(相当于旧牌号50号机械油)。柱塞箱内初期可加入N46号机械油(相当于旧牌号30号机械油),油面达到柱塞中心高度;当柱塞密封有水泄漏时,可放掉该处的机械油,注意观测柱塞温度不超过80℃即可。
b、检查各传动部份的连接螺栓有无松动现象。
c、检查水箱内是否装足常温输送介质。介面应达水标上限。
d、扳动皮带轮数转,检查整机运转过程中,机构有无卡阻或碰撞,同时检查密封压紧螺母有无松动现象。
e、将被试器件与本系统连接好。
f、打开手动高压卸荷阀,起动泵进行常压运转数分钟,待运转正常后,关闭卸荷阀,使系统开始升压。
g、当系统压力升至所需压力后,停机,系统进行保压试验。
2、注意事项
a、安装压力表时,表面应指向便于观察示值方向,可根据实际工作压力另外选择适宜的压力表,以实际工作压力在压力表全量程压力的三分之一到三分之二为宜。按国家有关法规要求,敬请用户在使用前校验所配压力表。
b、严格按照操作过程的要求执行。
c、对试压容器在升压之前,必须排尽被试容器中的气体。
d、在升压试验中,不应超过本泵的额定工作压力。
e、泵和管路应装在有防护设备的房间里,操作中应特别注意管端接头破坏后伤人,严禁非操作人员进入试压场地。
f、严禁在带压下装拆附件和检修,必须停机卸荷后进行。
g、泵在运行过程中,若有异常,应立即停机,待排除后,方可运行。
五、泵在运转中的检查工作
1、曲轴箱的温度不得超过70℃,并不应有异常的噪音和激烈的振动等不正常现象发生。
2、检查各轴承,柱塞等处的温度和润滑油面高度。
3、检查高压泵排出压力是否良好。
4、检查柱塞密封,避免柱塞和密封圈摩擦过剧而引起温度急剧升高。当发现柱塞与密封圈处温度过高时,应停止升压,并常压运转,待柱塞与密封圈跑合后方可升压;当发现柱塞与密封圈处渗漏严重,压力升不上去时,应更换已磨损的密封圈。
六、 一般故障及排除方法
项目 | 故障名称 | 产生原因 | 排除方法 |
1 | 泵出口压力达不到要求 | 1.泵的吸入阀或排出阀泄漏。 2.安全阀泄漏。 3.管路联接处渗漏。 | 1.研磨或更换已失灵的阀组。 2.重新调整或更换阀芯、阀座 3.检修渗漏处 |
2 | 柱塞温度过高 | 1.密封压得过紧。 2.介质未进入泵体。 | 1.调整密封压紧螺母。 2.清洗研磨吸入阀或排出阀。 |
3 | 泵运转有撞击声 | 1.连杆螺母松动。 2.连杆轴瓦、小头轴瓦磨损间歇过大。 3.运动机构其它零件松动。 4.轴承精度降低。 5.润滑油不足。
| 1.扳紧连杆螺母。 2.调整或更换。
3.调整松动零件。 4.更换新轴承。 5.添加同种润滑油或换合适的润滑油。 |
4 | 泵压力降得太快 | 各连接接头泄漏 | 拧紧连接接头 |
七、维护和保养
1、润滑油在泵初运转一个月后应更换一次,以后每半年定期换油,同时清洗曲轴箱。
2、润滑油及水箱中的试压介质必须保持清洁,不允许有污物和其它杂物。
3、停车超过一周的泵,应在每周常压下运转一次,每次运转时间不少于5分钟。
4、高压泵长期停用时,泵内存液应全部排除,同时将全部零件清洗干净,涂上防锈油。
八、泵的连接尺寸
泵出口处备有2米长工作管两根,工作管与容器相连处为内螺纹,用户需自备与之相配的接头,接头螺纹尺寸为M27X2-6h,具体结构见图3。

标签: