昆山优捷试压泵脉冲试验台系统技术说明
<1>设备名称:试压泵液压脉冲试验台
<2>设备型号: P1012-A-20
<3>设备用途适用于换热器、软管、压力表、气瓶等的脉冲试验。
<4>技术参数1)
测试压力:1.5~20MPa,;2) 循环频率:(20~40)次/分钟3) 试验介质:液压油;4) 波峰压力:测试压力*80%±5%5)
波谷压力:测试压力*20%±5%6) 波峰、波谷保压时间:(0.1~1)秒7) 试验环境温度:常温;8) 波形:三角波或梯形波9) 测试工件: 9
个;10) 测试柜外形尺寸:约 1500×750×1200(长×宽×高)11) 动力柜外形尺寸:1200X750X1200(长×宽×高)12)
控制柜外形尺寸:800X780X1200(长×宽×高)
第三章 系统特点试压泵液压脉冲试验台是根据相关标准设计,制造测定仪表的检测设备。广泛应用于各种仪表生产工厂、产品质量检验所、科研院校等单位对各种仪表的生产检验和开发研究。设备管路安装均遵循横平竖直原则,布局合理,水电分离,美观耐用。其功能如下:(1)
采用高质量电动往复泵,寿命长确使用稳定;(2) 计算机数据采集处理,打印输出循环次数和循环压力波形;(3)
试验时可以自由设定运行周期次数要求,当达到要求时可以自动停止试验;(4) 试验时外部可以观察试样试验情况,观察窗设有保护装置;(5)
试验压力—时间曲线能够在屏幕上显示并能打印或存储在存储器内,工业计算机控制,存储器有 USB 接口,可以将存储数据以 EXCEL
文档格式输出;(6) 安全装置:门开时不能测试、有加强的安全玻璃及急停按钮。
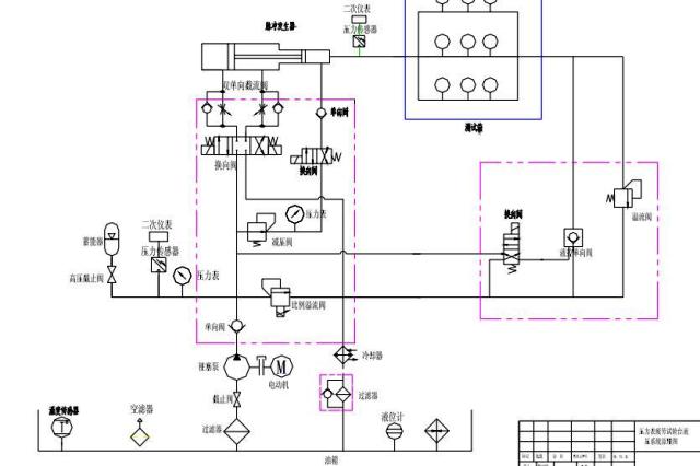
原理简介:安装好工件,调节调压阀的压力为工件测试工件的波谷压力,设定比例调压阀的压力为测试工件的波峰压力;比例换向阀左边得电,系统升低,比例换向阀的右边得电,系统缷压。以此反复执行,完成脉冲试验。升压时间,保压时间设定好之后,计算机自动执行。

<2>主要配件
配 件 清 单No. 项目 名称 单位 数量 品牌 产地1 试压泵 台 1 力源液压 中国
泵阀部分2
电动机 台 1 江成 中国3 联轴器 个 1 中国4 温度传感器 个 1 SENEX 中国5 换向阀 个 2 华德 中国6 单向阀 个 2
华德 中国7 换向阀 个 1 华德 中国8 液位计 个 1 黎明液压 中国9 冷却器 个 1 京仪液压 中国10 比例溢流阀 个 1 华德
中国11 蓄能器 个 1 奉化 中国12 蓄能器开关 个 1 中国13 压力表 个 2 HPT 意大利14 减压阀 个 1 华德液压 中国15
双单向截流阀 个 1 华德液压 中国16 空滤器 个 1 黎明液压 中国17 吸油过滤器 个 1 黎明液压 中国18 回油过滤器 个 1
黎明液压 中国19 加热器 个 1 中国20 脉冲压器 个 1 IVS 中国21 压力传感器 个 1 SENEX 中国22 数显表 个 1 红润
中国23 液控单向阀 个 1 华德 中国24 油箱 台 1 中国25 溢流阀 个 1 华德 中国26 安装柜 个 127电气部分软件 个
128 控制柜 个 129 电气元件 个 130 电脑 个 1
标签: