思凯达最新的智能无线带语音播报的试压泵控制系统在青海油田花土沟基地!

思凯达CB160-5.5型超高压电动试压泵车间吊装,入坑,入位,下午接电接思凯达智能试压泵无线控制系统,调试!

思凯达智能试压泵控制系统和试压泵智能语音播报系统,根据客户技术要求非标制作!

一、用途
CB系列超高压泵,可满足各种容器、管道、阀门等作水压试验及爆破试验,试验压力均可在常压升到额定排出压力。泵的输送介质一般为乳化液,也可用防锈水及粘度与乳化液相近的中性油品,其温度为5~60℃。
二、技术参数
型 号 | 额定工 作压力 MPa | 流量 L/h | 柱塞直径 mm | 行程 mm | 配套电机 型号、功率 | 外 形 尺 寸 (长X宽X高) mm | 重量 Kg |
CB100-5.5 | 100 | 122 | 12 | 40 | Y132 M2-6 5.5KW | 1700X800X1000 | 670 |
CB125-5.5 | 125 | 84.7 | 10 | ||||
CB160-5.5 | 160 | 68.7 | 9 | ||||
CB200-5.5 | 200 | 54 | 8 |
三、主要结构和工作原理
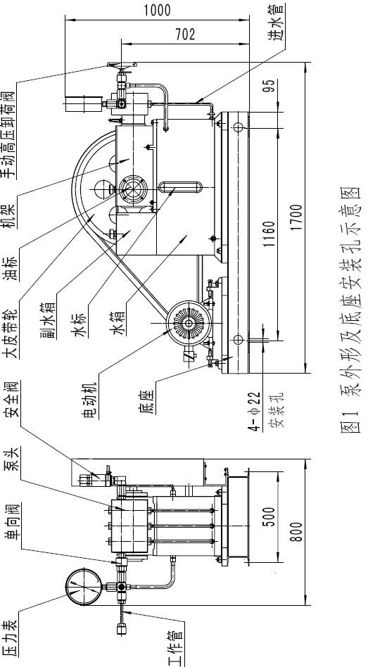
本泵为卧式三柱塞泵,由电动机、皮带轮、动力端、泵头和底座等组成。(图1)
1、动力端(图2)
动力端由机架、曲轴、连杆、十字头等组成 。电动机通过三角皮带轮进行减速,并通过曲柄连杆机构将旋转运动转变为十字头的往复直线运动。
机架的机身是一箱形结构的铸铁件,前端镗有三个安装孔,以保证柱塞与十字头的同轴度,机身后端开有一个长方形孔,便于十字头、连杆等零件的装拆。
曲轴为整体式三曲拐。连杆大头处为剖分式结构,配有标准的175柴油机连杆轴瓦,连杆小头配有铜轴瓦与十字头销连接。
十字头为圆筒形结构,与十字头销配合孔两端面装有弹性挡圈,防止十字头销轴向移动,十字头与柱塞联接采用中间球面结构,能保证柱塞自动定位。
2、泵头(图4)
泵头由泵体、吸入阀、排出阀、柱塞副等零件组成。泵体固定在机身上,由十字头带动柱塞在泵体内往复运动,使泵体内的工作容积产生周期性变化。当柱塞为吸入行程时,泵体内容积增大,排出阀关闭,形成局部真空,工作介质在大气压下,由吸入阀进入泵体;反之,吸入阀关闭,工作介质由排出阀输出,经过单向阀,由外接管路输送到被试器件内,直至达到所需压力。
另外,在泵头左端的四通上装有目测压力表,以监视泵的排出压力。
在泵头的右端装有安全阀,在系统超载时起保护作用。安全阀的起跳压力在出厂时已调校好,用户不得任意调动,也不能当溢流阀使用。(图6)
3、SGXF手动高压卸荷阀(图5)
手动高压卸荷阀用在人工方式试压结束后,手动卸除被试产品压力。
4、DXF200单向阀(图7)
用于自动截断管路中介质流动方向,防止介质回流,并起保压作用。
四、使用方法及注意事项
1、使用方法
a、减速箱内加足润滑油,使油面达到油标上刻线高度。
润滑油为: 柴油机油 15W-40或20W-50(推荐品牌:长城、美孚、嘉实多、壳牌、昆仑等) 或N68号机械油(相当于旧牌号50号机械油)。柱塞箱内初期可加入N46号机械油(相当于旧牌号30号机械油),油面达到柱塞中心高度;当柱塞密封有水泄漏时,可放掉该处的机械油,注意观测柱塞温度不超过80℃即可。
b、检查各传动部份的连接螺栓有无松动现象。
c、检查水箱内是否装足常温输送介质。介面应达水标上限。
d、扳动皮带轮数转,检查整机运转过程中,机构有无卡阻或碰撞,同时检查密封压紧螺母有无松动现象。
e、将被试器件与本系统连接好。
f、打开手动高压卸荷阀,起动泵进行常压运转数分钟,待运转正常后,关闭卸荷阀,使系统开始升压。
g、当系统压力升至所需压力后,停机,系统进行保压试验。
2、注意事项
a、安装压力表时,表面应指向便于观察示值方向,可根据实际工作压力另外选择适宜的压力表,以实际工作压力在压力表全量程压力的三分之一到三分之二为宜。按国家有关法规要求,敬请用户在使用前校验所配压力表。
b、严格按照操作过程的要求执行。
c、对试压容器在升压之前,必须排尽被试容器中的气体。
d、在升压试验中,不应超过本泵的额定工作压力。
e、泵和管路应装在有防护设备的房间里,操作中应特别注意管端接头破坏后伤人,严禁非操作人员进入试压场地。
f、严禁在带压下装拆附件和检修,必须停机卸荷后进行。
g、泵在运行过程中,若有异常,应立即停机,待排除后,方可运行。
五、泵在运转中的检查工作
1、曲轴箱的温度不得超过70℃,并不应有异常的噪音和激烈的振动等不正常现象发生。
2、检查各轴承,柱塞等处的温度和润滑油面高度。
3、检查高压泵排出压力是否良好。
4、检查柱塞密封,避免柱塞和密封圈摩擦过剧而引起温度急剧升高。当发现柱塞与密封圈处温度过高时,应停止升压,并常压运转,待柱塞与密封圈跑合后方可升压;当发现柱塞与密封圈处渗漏严重,压力升不上去时,应更换已磨损的密封圈。
六、 一般故障及排除方法
项目 | 故障名称 | 产生原因 | 排除方法 |
1 | 泵出口压力达不到要求 | 1.泵的吸入阀或排出阀泄漏。 2.安全阀泄漏。 3.管路联接处渗漏。 | 1.研磨或更换已失灵的阀组。 2.重新调整或更换阀芯、阀座 3.检修渗漏处 |
2 | 柱塞温度过高 | 1.密封压得过紧。 2.介质未进入泵体。 | 1.调整密封压紧螺母。 2.清洗研磨吸入阀或排出阀。 |
3 | 泵运转有撞击声 | 1.连杆螺母松动。 2.连杆轴瓦、小头轴瓦磨损间歇过大。 3.运动机构其它零件松动。 4.轴承精度降低。 5.润滑油不足。
| 1.扳紧连杆螺母。 2.调整或更换。
3.调整松动零件。 4.更换新轴承。 5.添加同种润滑油或换合适的润滑油。 |
4 | 泵压力降得太快 | 各连接接头泄漏 | 拧紧连接接头 |
七、维护和保养
1、润滑油在泵初运转一个月后应更换一次,以后每半年定期换油,同时清洗曲轴箱。
2、润滑油及水箱中的试压介质必须保持清洁,不允许有污物和其它杂物。
3、停车超过一周的泵,应在每周常压下运转一次,每次运转时间不少于5分钟。
4、高压泵长期停用时,泵内存液应全部排除,同时将全部零件清洗干净,涂上防锈油。
八、泵的连接尺寸
泵出口处备有2米长工作管两根,工作管与容器相连处为内螺纹,用户需自备与之相配的接头,接头螺纹尺寸为M27X2-6h,具体结构见图3。

标签: